2联整体式多路阀,可扩展至3联多路阀,供用户选择
回路型式:串并联、串联
阀芯使用精控沟槽,递进式流量控制特性,使其具有较宽流量
采用比例先导控制,减轻了换向操纵力
内置插装式主安全阀、过载阀、补油阀等,通用性好,便于维修
改变阀芯结构,三位阀芯机能实现四位机能
装载机
推土机
农用机械
物料搬运机械
垃圾压实机
林业机械
集装箱吊
|
额定压力 MPa | 25 |
|
额定流量 L/min |
350(最大流量415L/min) |
|
主溢流阀调压范围 MPa |
10~25 |
|
次级溢流阀调压范围 MPa |
15~31.5 |
| 液压油 | 符合DIN 51 524 标准的矿物质油(HL、HLP) |
|
油液温度范围 ℃ |
-20~100 |
|
粘度范围 mm2/s |
10~380 |
| 油液清洁度 | 油液及系统的清洁度不低于GB/T 14039-93 19/16级或NAS 1638 10级 |
|
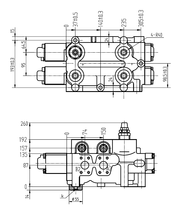
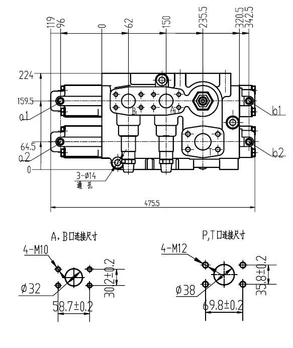
重量 Kg |
D32:62 D32A: 95 |
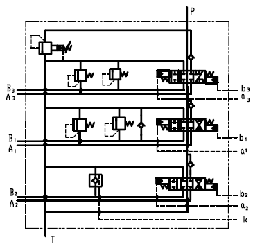
D32整体式多路换向阀
注:此图为标配产品原理图,溢流阀数量及压力可由用户自行选择
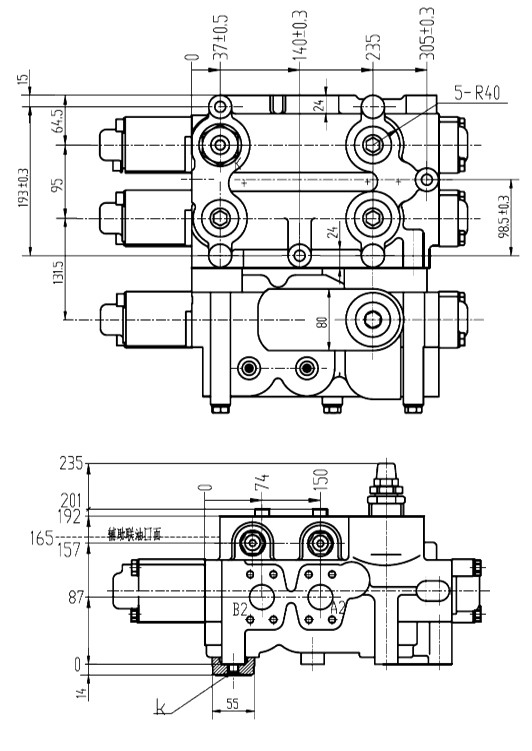
D32A整体式多路换向阀

注:此图为标配产品原理图,溢流阀数量及压力可由用户自行选择
D32整体式多路换向阀


D32A整体式多路换向阀


Copyright © 2019 浙江高宇液压机电有限公司 版权所有 All Right Reserved 浙ICP备14002341号-1
设计制作:新飞速网络