语言:

服务热线:0576-89367878

ZLF25G型流量放大阀

技术特点

结构紧凑,转向灵活可靠

操作平稳轻便,可减少机械冲击

小流量控制高压大流量,减轻操作强度

高压转向器油液合流进入转向油缸,提高效率

负载敏感控制

节能效果显著,系统功率利用充分

25MPa 至160L/min

主要应用领域

装载机

推土机

农用机械

物料搬运机械

技术参数

额定压力

MPa
25

额定流量

L/min
160(最大流量200L/min)

主溢流阀调压范围

MPa
10~25

次级溢流阀调压范围

MPa
15~31.5

输出流量

 L / min
70~140
液压油符合DIN 51 524 标准的矿物质油(HL、HLP)

油液温度范围

-20~100
油液清洁度油液及系统的清洁度不低于GB/T 14039-93 19/16级或NAS 1638 10级

重量

Kg
21

液压系统原理图

03.png

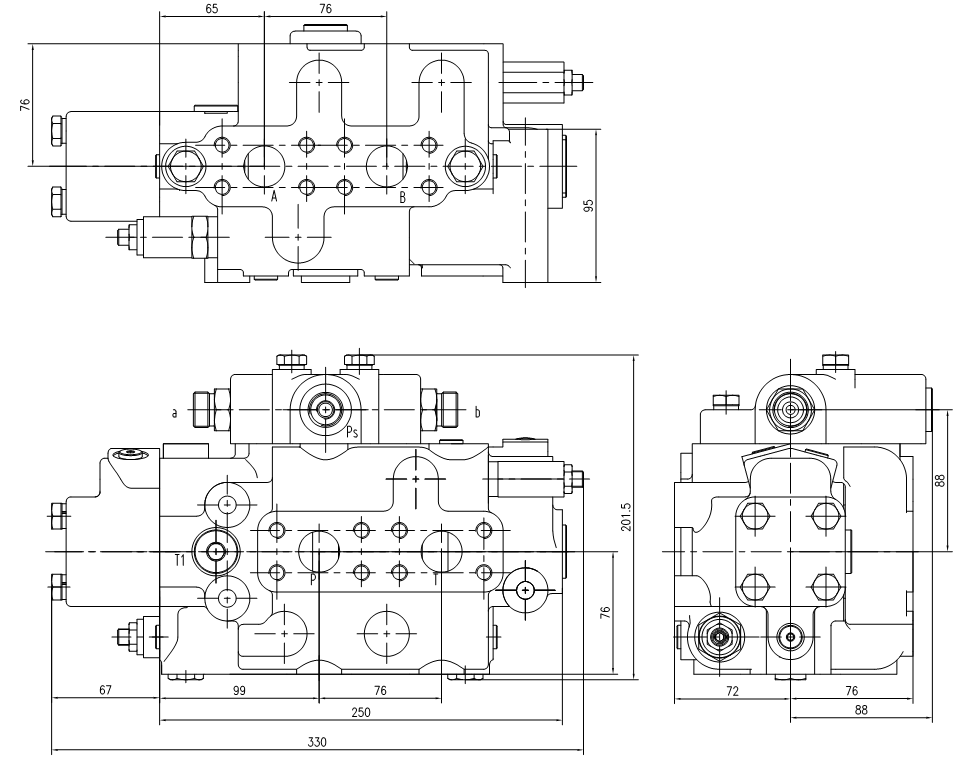
外形连接尺寸

04.png

05.png