结构紧凑,管路布局方便
操作平稳轻便、舒适
流量输出稳定,与负载无关
控制流量与转向流量呈比例输出
卸荷压力低,能量损失小
装载机
推土机
农用机械
物料搬运机械
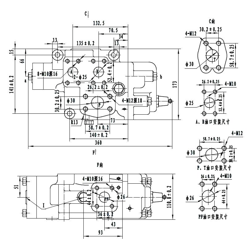
额定压力 MPa | 25 |
额定流量 L/min | 160 |
输出流量 L / min | 80~145 |
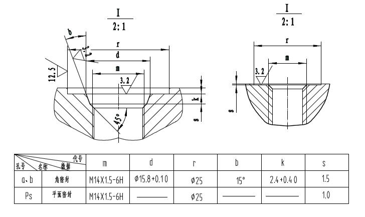
| 液压油 | 符合DIN 51 524 标准的矿物质油(HL、HLP) |
油液温度范围 ℃ | -20~100 |
粘度范围 mm2/s | 10~380 |
| 油液清洁度 | 油液及系统的清洁度不低于GB/T 14039-93 19/16级或NAS 1638 10级 |
重量 Kg | 28.5 |
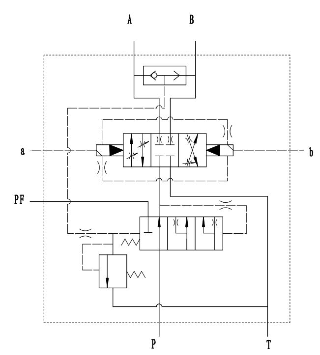
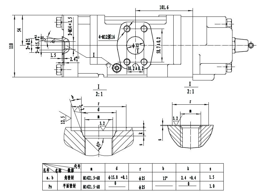
ZLF25A优先型流量放大阀

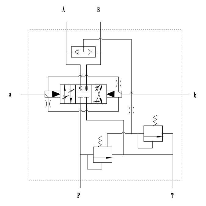
ZLF25普通型流量放大阀

ZLF25A优先型流量放大阀


ZLF25普通型流量放大阀


Copyright © 2019 浙江高宇液压机电有限公司 版权所有 All Right Reserved 浙ICP备14002341号-1
设计制作:新飞速网络