实现三泵液压系统的分合流控制
多极功率控制,流量精确控制
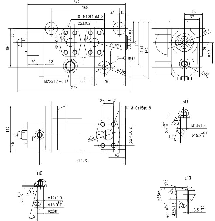
安装方便
轮式装载机
挖掘/装载机
物料搬运机械
额定压力 MPa | 20 |
额定流量 L/min | 160 |
控制压差 MPa | 0.9 |
| 液压油 | 符合DIN 51 524 标准的矿物质油(HL、HLP) |
油液温度范围 ℃ | -20~100 |
粘度范围 mm2/s | 10~380 |
| 油液清洁度 | 油液及系统的清洁度不低于GB/T 14039-2002 19/16级或NAS 1638 10级 |
重量 Kg | 13 |


Copyright © 2019 浙江高宇液压机电有限公司 版权所有 All Right Reserved 浙ICP备14002341号-1
设计制作:新飞速网络