采用递进式精控操作,操作灵敏
操作力小,操纵舒适
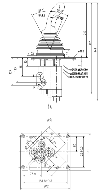
手柄符合人机工程学,可根据用户 需要集成各种类型的电器按钮
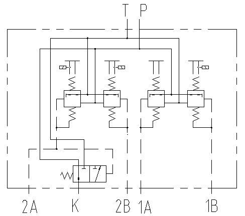
各控制口可设有电磁定位,可以用手柄按钮 或其它电器控制设备解锁电磁定位
内置逻辑辅助阀(如浮动位置控制)
结构紧凑,便于管路布置,减少整个 液压系统的压力损失
控制口输出的二次压力呈线性变化,使多路阀调速性能更好,相应调速范围更宽
装载机
推土机
农用机械
物料搬运机械
垃圾压实机
林业机械
集装箱吊
钻机
进油压力 MPa | 最大5 |
控制流量 L/min | 最大16 |
回油压力 MPa | 最大0.3 |
控制压力范围 MPa | 转斗联0.5~2.5 动臂联0.5~2.0 |
工作电压 V | 直流24 |
工作电流 mA | 200~230(在常温、电压24V) |
工作温度 ℃ | -40~120 |
额定吸力 N | 300±20 |
| 液压油 | 符合DIN 51 524 标准的矿物质油(HL、HLP) |
油液温度范围 ℃ | -20~80 |
粘度范围 mm2/s | 10~380 |
| 油液清洁度 | 油液及系统的清洁度不低于GB/T 14039-2002 19/16级或NAS 1638 10级 |
重量 Kg | 13.8 |
| 微动控制特性曲线图 | |
转斗联特性曲线
![]() | 动臂联特性曲线
![]() |
DXS先导阀

GDXS先导阀

注:2C/K口可采用专用螺堵堵塞,配套于四位液动多路阀。
GDXS先导阀

DXS先导阀

Copyright © 2019 浙江高宇液压机电有限公司 版权所有 All Right Reserved 浙ICP备14002341号-1
设计制作:新飞速网络