Dgf先导供油阀是复合阀,它能将中、高压回路中的压力降低以供给先导控制装置,油液可直接从工作系统或转向系统引过来,适用于无单独先导油泵的设备或机器,具有明显的节能效果
导供油阀带有蓄能器,输出的瞬时流量可达到40L/min,传统结构先导油泵输出的流量只有10 L/min,所以采用Dvf-00先导供油阀具有更高的操作灵敏性
小流量控制高压大流量,减轻操作强度
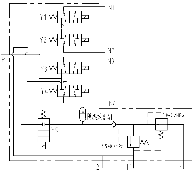
先导供油阀带有电磁阀控制先导油PF口进出油;同时通过4个电磁阀控制工作口进出油
负载敏感控制
先导供油阀带有多种容量的蓄能器,它可在动力设备(如发动机)出现故障时,能将操作设备安全平稳的收回
结构紧凑、体积小、成本低廉
装载机
推土机
起重机械
农用机械
物料搬运机械
输入公称压力 MPa | 20 |
输出公称压力 MPa | 3 |
电磁阀工作电压 V | 24 |
卸荷压力 MPa | 4.5 |
公称流量 L / min | 16 |
| 液压油 | 符合DIN 51 524 标准的矿物质油(HL、HLP) |
油液温度范围 ℃ | -20~80 |
粘度范围 mm2/s | 10~380 |
| 油液清洁度 | 油液及系统的清洁度不低于GB/T 14039-93 19/16级或NAS 1638 10级 |
重量 Kg | 6.5 |


Copyright © 2019 浙江高宇液压机电有限公司 版权所有 All Right Reserved 浙ICP备14002341号-1
设计制作:新飞速网络