结构紧凑,便于安装
采用递进式精控操作,反应灵敏
手柄操作力小,操纵舒适
符合人机工程学的手柄,可根据用户需求配制各种类型的按钮开关
各控制口可设有电磁定位,可以手柄按钮或电器设备解锁电磁定位,实现自动复位
控制口输出的二次压力呈线性变化,使多路阀调速性能更好,相应调速范围更宽
设有阻力点,防止误操作
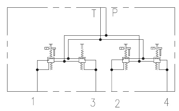
所有油口均位于元件底面,便于管路布置
装载机
推土机
农用机械
物料搬运机械
垃圾压实机
林业机械
集装箱吊
钻机
|
进油压力 MPa |
最大5 |
|
控制流量 L/min |
最大16 |
|
回油压力 MPa |
最大0.3 |
|
控制压力范围 MPa |
0.5~1.95 |
|
工作电压 V |
直流24 |
|
工作电流 mA |
200~230(在常温、电压24V) |
|
工作温度 ℃ |
-40~121 |
|
额定吸力 N |
300±20 |
| 液压油 | 符合DIN 51 524 标准的矿物质油(HL、HLP) |
|
油液温度范围 ℃ |
-20~80 |
|
粘度范围 mm2/s |
10~380 |
| 油液清洁度 | 油液及系统的清洁度不低于NAS 1638 9级 |
|
重量 Kg |
6 |
|
微动控制特性曲线图
|
|


Copyright © 2019 浙江高宇液压机电有限公司 版权所有 All Right Reserved 浙ICP备14002341号-1
设计制作:新飞速网络