尺寸小,结构紧凑,安装简单
分片式结构,灵活组合,适应性好
操作力小,操纵舒适
控制压力特性变化范围大,比例控制平稳
低滞后,反应灵敏
双防尘结构,使用寿命长
可根据多路换向阀匹配需求定制压力特性曲线
装载机
推土机
起重机械
农用机械
物料搬运机械
垃圾压实机
林业机械
集装箱吊
进油压力 MPa | 最大5 |
控制流量 L/min | 最大16 |
回油压力 MPa | 最大0.3 |
| 液压油 | 符合DIN 51 524 标准的矿物质油(HL、HLP) |
油液温度范围 ℃ | -20~80 |
粘度范围 mm2/s | 10~380 |
| 油液清洁度 | 油液及系统的清洁度不低于NAS 1638 9级 |
重量 Kg | 每片约2Kg |
工作曲线图 ![]() | |

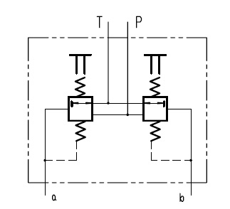
单片安装连接尺寸

四片安装连接尺寸

Copyright © 2019 浙江高宇液压机电有限公司 版权所有 All Right Reserved 浙ICP备14002341号-1
设计制作:新飞速网络