2联、3联整体式多路阀,可供用户选
压力等级高,通油能力大
流量的微调控制范围宽,具有递增流量特性
回路型式:串并联、并联
采用比例先导控制,减轻了换向操纵力
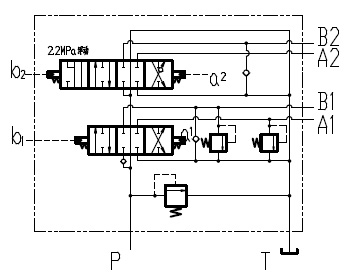
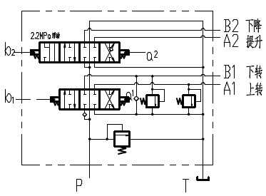
阀芯机能:三位和四位
内置插装式主安全阀、过载阀、补油阀等,通用性好,便于维修
装载机
推土机
农用机械
物料搬运机械
林业机械
| YGDF32D系列 | YGDF25D系列 | |
额定压力 MPa | 25 | 25 |
额定流量 L/min | 250(最大流量350L/min) | 160(最大流量250L/min) |
主溢流阀调压范围 MPa | 10~25 | |
次级溢流阀调压范围 MPa | 15~31.5 | |
| 液压油 | 符合DIN 51 524 标准的矿物质油(HL、HLP) | |
油液温度范围 ℃ | -20~100 | |
粘度范围 mm2/s | 10~380 | |
| 油液清洁度 | 油液及系统的清洁度不低于GB/T 14039-93 19/16级或NAS 1638 10级 | |
重量 Kg | 38(两联) | 36(两联) |
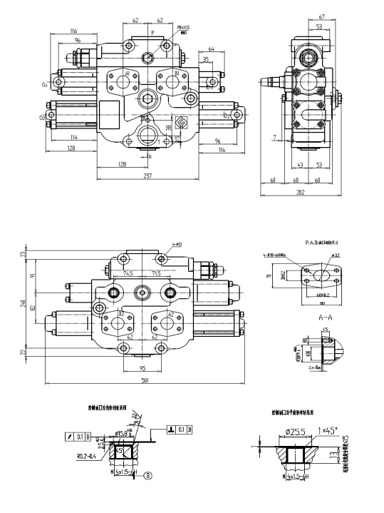
YGDF32D系列整体式多路换向阀

YGDF25D系列整体式多路换向阀

YGDF25/32DⅢ系列整体式多路换向阀

YGDF32D整体式多路换向阀

YGDF25D整体式多路换向阀

YGDF32DⅢ整体式多路换向阀

YGDF25DⅢ整体式多路换向阀

Copyright © 2019 浙江高宇液压机电有限公司 版权所有 All Right Reserved 浙ICP备14002341号-1
设计制作:新飞速网络