2联整体式多路阀,可扩展至3联多路阀,供用户选择
采用机械控制方式,操纵力轻
回路型式:串并联、串联
阀芯机能:三位和四位
阀芯使用精控沟槽,递进式流量控制方式
使其具有较宽流量
定位方式:弹簧和钢球
内置插装式主安全阀、过载阀、补油阀等,
通用性好,便于维修
轮式装载机
推土机
农用机械
物料搬运机械
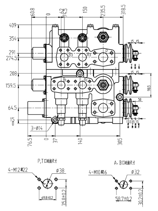
额定压力 MPa | 25 |
额定流量 L/min | 350(最大流量415L/min) |
主溢流阀调压范围 MPa | 10~25 |
次级溢流阀调压范围 MPa | 15~31.5 |
操纵力 N | ≤320 |
| 液压油 | 符合DIN 51 524 标准的矿物质油(HL、HLP) |
油液温度范围 ℃ | -20~100 |
粘度范围 mm2/s | 10~380 |
| 油液清洁度 | 油液及系统的清洁度不低于GB/T 14039-2002 19/16级或NAS 1638 10级 |
重量 Kg | 62(SD32两联多路阀) 95(SD32A三联多路阀) |
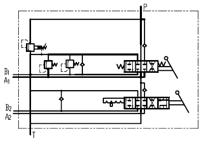
SD32整体式多路换向阀

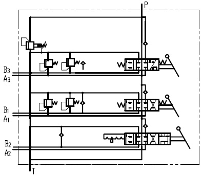
注:此图为标配产品原理图,溢流阀数量及压力可由用户自行选择
SD32A整体式多路换向阀

SD32整体式多路换向阀


SD32A整体式多路换向阀
![}25V7[3(5]I}W]4M%32UECH.jpg }25V7[3(5]I}W]4M%32UECH.jpg](UploadFile/2019042015557271469241224.jpg)
![]Q`T~2E1(AK}2U_P[UK4[QL.jpg ]Q`T~2E1(AK}2U_P[UK4[QL.jpg](UploadFile/2019042015557272025591566.jpg)
Copyright © 2019 浙江高宇液压机电有限公司 版权所有 All Right Reserved 浙ICP备14002341号-1
设计制作:新飞速网络