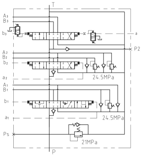
压力等级高(25MPa),回路为串、并联复合结构
可由用户选择多种阀芯机能自由组合
阀芯节流沟槽的精控设计,具有良好的精控性能
内置式过载阀、补油阀,使结构更紧凑,通用性好,便于维修
采用双弹簧定位结构,通过先导控制压力十分便利地实现四位浮动
滑移装载机
小型装载机
农用拖拉机辅助功能
多功能工程车
物料搬运机械
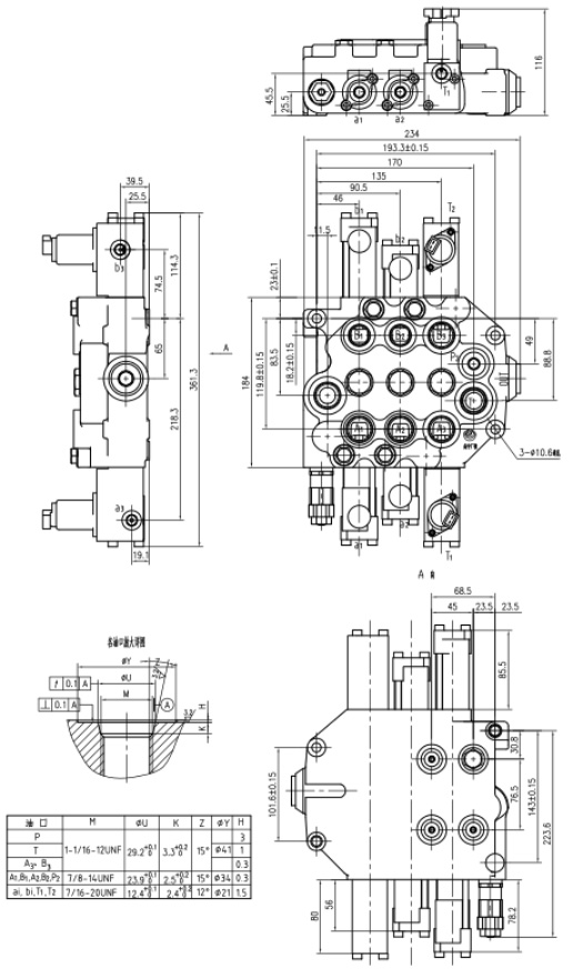
|
公称压力 MPa | 25 |
|
公称流量 L/min |
100 |
|
主溢流阀压力调整范围 MPa |
10~25 |
|
二次溢流阀压力调整范围 MPa |
15~31.5 |
|
补油阀开启压力 MPa |
≤0.15 |
|
电磁阀 |
电压12VDC , 电流1.5A(MAX) |
| 液压油 | 符合DIN 51 524 标准的矿物质油(HL、HLP) |
|
油液温度范围 ℃ |
-20~100 |
| 油液清洁度 | 油液及系统的清洁度不低于GB/T 14039-93 19/16级或NAS 1638 10级 |
|
重量 Kg |
20 |


Copyright © 2019 浙江高宇液压机电有限公司 版权所有 All Right Reserved 浙ICP备14002341号-1
设计制作:新飞速网络