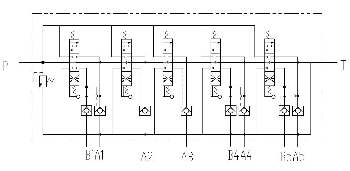
整体式多路阀,内置主安全阀、液压锁等,通用性好
并联回路型式
阀芯使用精控沟槽,递进式流量控制特性,使其具有较宽流量
采用机械控制方式,操纵简单,灵活省力
结构简单,方便管路布置,可靠性高
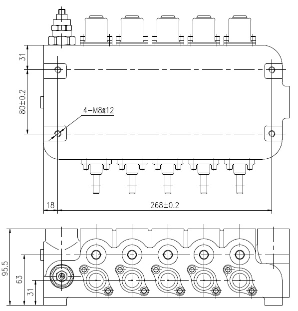
农用机械
物料搬运机械
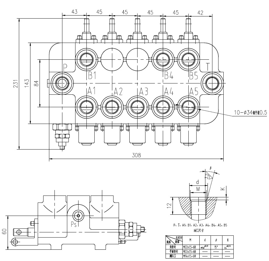
|
额定压力 MPa | 20 |
|
额定流量 L/min |
60 |
|
溢流阀调压范围 MPa |
8~20 |
|
操纵力 N |
150 |
| 液压油 | 符合DIN 51 524 标准的矿物质油(HL、HLP) |
|
油液温度范围 ℃ |
-20~100 |
|
粘度范围 mm2/s |
10~380 |
| 油液清洁度 | 油液及系统的清洁度不低于GB/T 14039-93 19/16级或NAS 1638 10级 |
|
重量 Kg |
20 |



Copyright © 2019 浙江高宇液压机电有限公司 版权所有 All Right Reserved 浙ICP备14002341号-1
设计制作:新飞速网络