2联整体式多路阀,可扩展至3联多路阀,供用户选择
采用双油口结构,使管路布置更加合适,方便
四位机能结构,实现浮动操作, 有较大的控制压力区间,有效地防止误操作现象
流量的微调控制范围宽,具有递增流量特性
内置预压阀和再生阀,最大限度节约能量,同时能有效防止小腔吸空现象
内置插装式辅助阀(安全阀、过载阀、单向阀),结构紧凑,通用性好
装载机
推土机
农用机械
物料搬运机械
垃圾压实机
林业机械
集装箱吊
额定压力 MPa | 25 |
额定流量 L/min | 350(最大流量420L/min) |
主溢流阀调压范围 MPa | 10~25 |
次级溢流阀调压范围 MPa | 15~31.5 |
| 液压油 | 符合DIN 51 524 标准的矿物质油(HL、HLP) |
油液温度范围 ℃ | -20~100 |
粘度范围 mm2/s | 10~380 |
| 油液清洁度 | 油液及系统的清洁度不低于GB/T 14039-93 19/16级或NAS 1638 10级 |
重量 Kg | 55(两联) 85(三联) |
GMV32整体式多路换向阀

注:此图为标配产品原理图,溢流阀数量及压力可由用户自行选择
GMV32Ⅲ整体式多路换向阀

注:此图为标配产品原理图,溢流阀数量及压力可由用户自行选择
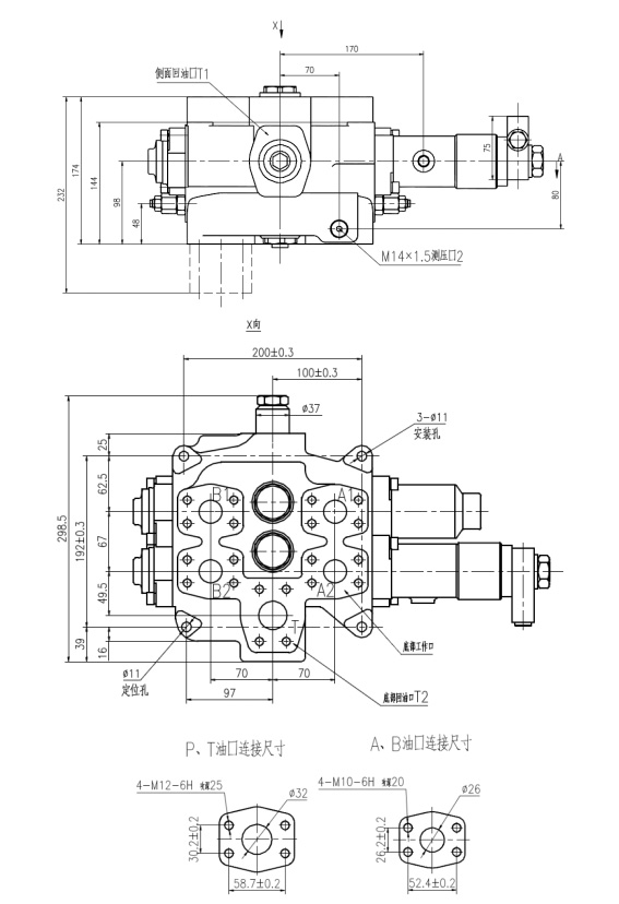
GMV32整体式多路换向阀


GMV32Ⅲ整体式多路换向阀


Copyright © 2019 浙江高宇液压机电有限公司 版权所有 All Right Reserved 浙ICP备14002341号-1
设计制作:新飞速网络