2联整体式多路阀,可扩展至3联多路阀,供用户选择
流量的微调控制范围宽,具有递增流量特性
回路型式:串并联、并联
控制方式:液控、机械,操纵力
阀芯机能:三位和四位
内置主安全阀、过载阀、补油阀及单向阀等,采用插装式结构,通用性好,便于维修
装载机
推土机
农用机械
物料搬运机械
林业机械
| GMV25 | YGMV25 | |
额定压力 MPa | 25 | |
额定流量 L/min | 160(最大流量200L/min) | |
主溢流阀调压范围 MPa | 10~25 | |
次级溢流阀调压范围 MPa | 15~31.5 | |
| 液压油 | 符合DIN 51 524 标准的矿物质油(HL、HLP) | |
油液温度范围 ℃ | -20~100 | |
粘度范围 mm2/s | 10~380 | |
| 油液清洁度 | 油液及系统的清洁度不低于GB/T 14039-2002 19/16级或NAS 1638 10级 | |
重量 Kg | 25(两联) | 38(三联) |
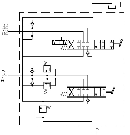
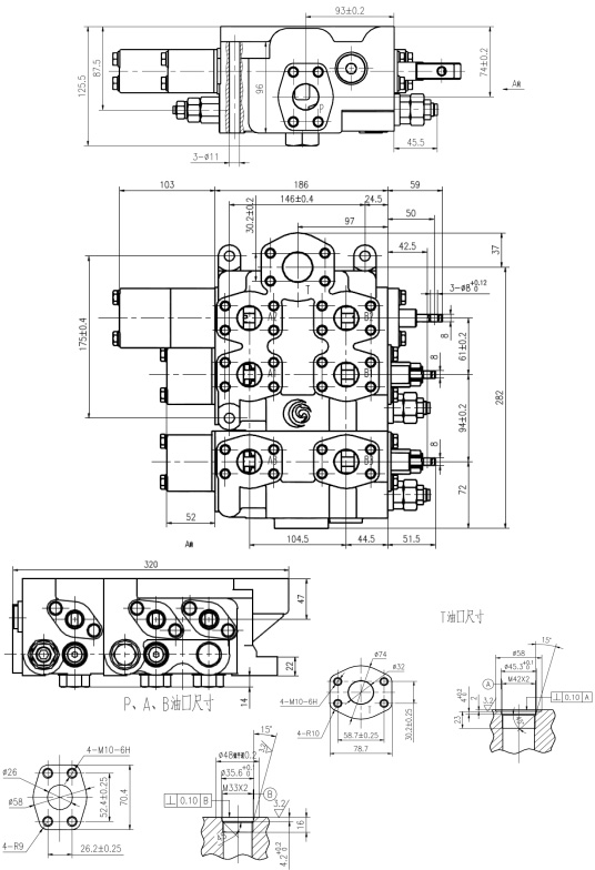
GMV25整体式多路换向阀

注:此图为标配产品原理图,溢流阀数量及压力可由用户自行选择
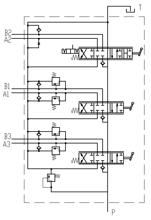
GMV25Ⅲ整体式多路换向阀

注:此图为标配产品原理图,溢流阀数量及压力可由用户自行选择
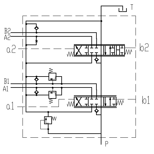
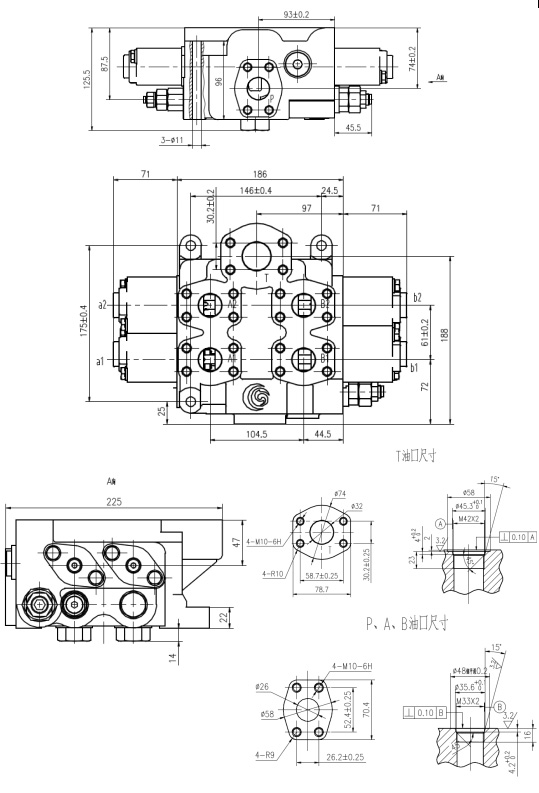
YGMV25整体式多路换向阀

注:此图为标配产品原理图,溢流阀数量及压力可由用户自行选择
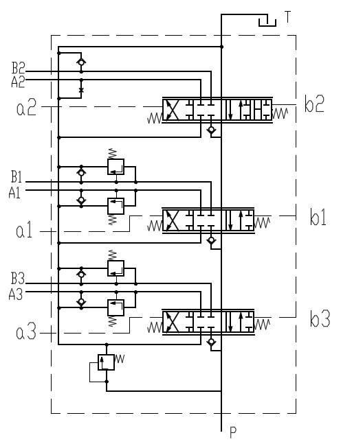
YGMV25Ⅲ整体式多路换向阀

注:此图为标配产品原理图,溢流阀数量及压力可由用户自行选择
GMV25整体式多路换向阀

GMV25Ⅲ整体式多路换向阀

YGMV25整体式多路换向阀

YGMV25Ⅲ整体式多路换向阀

Copyright © 2019 浙江高宇液压机电有限公司 版权所有 All Right Reserved 浙ICP备14002341号-1
设计制作:新飞速网络