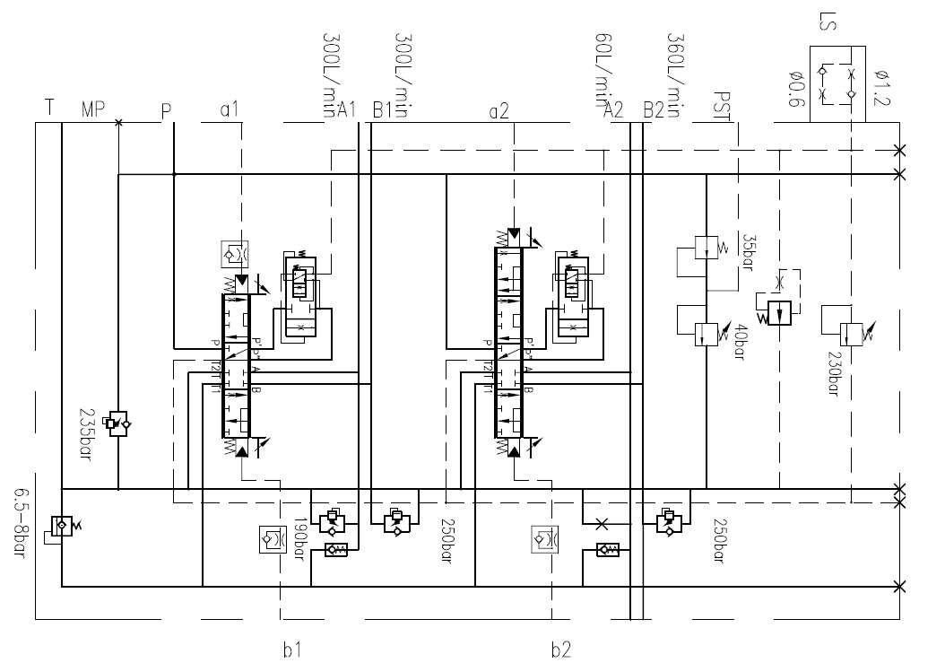
两联整体式多路阀,可叠加片式阀体扩展成多联阀
多种阀芯机能自由组合,供用户选择
并联回路型式
阀芯使用精控沟槽,使其有良好的精控功能
流量与负载压力无关的负载敏感控制,节省能耗
回油再生功能,节能,防气蚀
阀芯使用精控沟槽,使其有良好的精控功能
内置主安全阀、过载阀、再生补油阀及先导供油阀等采用插装式结构,通用性好,便于维修
采用双弹簧定位结构,通过先导控制压力十分便利地实现四位浮动
轮式装载机
挖掘/装载机
推土机
伸缩臂叉车
物料搬运机械
|
额定压力 MPa | 31.5 |
|
额定流量 L/min |
300(最大流量350L/min) |
|
主溢流阀调压范围 MPa |
15~31.5 |
|
次级溢流阀调压范围 MPa |
15~31.5 |
| 液压油 | 符合DIN 51 524 标准的矿物质油(HL、HLP) |
|
油液温度范围 ℃ |
-20~100 |
|
粘度范围 mm2/s |
10~380 |
| 油液清洁度 | 油液及系统的清洁度不低于GB/T 14039-2002 19/16级或NAS 1638 10级 |
|
重量 Kg |
70 |
GLV25比例流量分配多路阀

注:此图为标配产品原理图,各附加阀压力可根据用户指定要求进行设置。
![0I]6~C7VDVX2Q[{9M9M2SFF.jpg 0I]6~C7VDVX2Q[{9M9M2SFF.jpg](UploadFile/2019041915556560961634427.jpg)

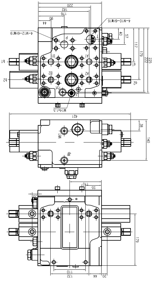
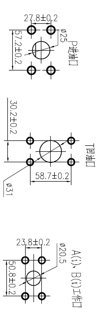
注:先导控制口a(i)、b(i),Pst口、Ls口、Mp测压口均为M14x1.5-6H平面密封
Copyright © 2019 浙江高宇液压机电有限公司 版权所有 All Right Reserved 浙ICP备14002341号-1
设计制作:新飞速网络