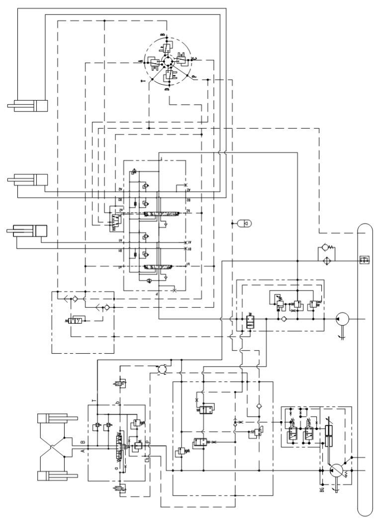
待机状态时,变量泵最小排量,定量泵低压卸荷,减小压力损失
转向系统由变量泵供油,泵输出流量大小取决于负载需求
转向优先,变量泵优先向转向系统供油,保证装载机安全性
定量泵与变量泵顺次向工作系统供油:小流量时,只由定量泵向工作系统供油,当负载需求流量增大,定量泵与变量泵双泵合流,共同向工作系统供油,既保证了装载机的工作效率,又具有节能效果
全变量特性,变量泵流量及定量泵经流量控制阀后的输出流量,完全匹配与负载流量需求
相对于定量泵系统,定变量液压系统的效率更高,尤其在小流量工况下,具有明显节能效果
4~6吨装载机液压系统
转向泵 | 斜盘式柱塞泵,排量75 L/r,负载敏感阀2MPa,恒压切断阀24MPa |
工作泵 | 齿轮泵,排量80L/r,额定压力25MPa |
多路阀 | GMV32,额定压力25MPa,过载阀压力20~28MPa |
| 先导阀 | CRV,控制压力0.5~2.5MPa |
流量放大阀 | ZLF25F,输出流量87~120L/min |
梭阀 | GSV06 |
| 流量控制阀 | FCV20 |
z

Copyright © 2019 浙江高宇液压机电有限公司 版权所有 All Right Reserved 浙ICP备14002341号-1
设计制作:新飞速网络