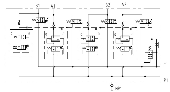
各工作口流量比例输出,与无负载大小无关,可实现复合动作
各工作口低泄漏
可用于定量系统的流量比例输出
集成度高,安装方便,维修简便
农用机械
注塑设备
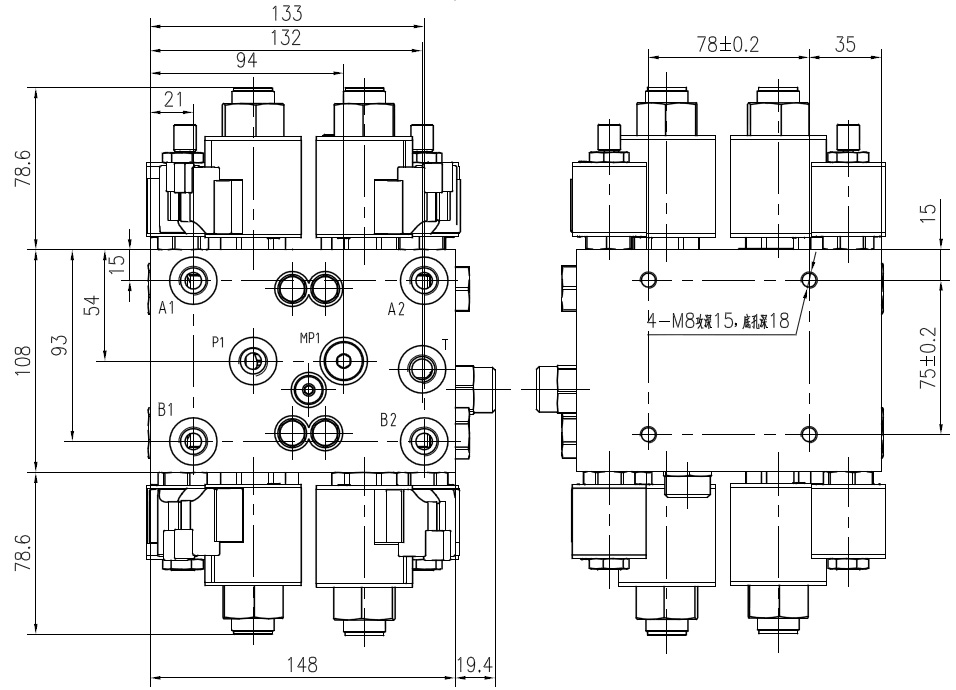
|
公称压力 MPa | 25 |
|
公称流量 L/min |
22 |
|
最大流量 L/min |
40 |
|
电磁阀工作电压 |
12VCD±15% |
| 24VCD±15% | |
| 液压油 | 符合DIN 51 524 标准的矿物质油(HL、HLP) |
|
油液温度范围 ℃ |
-20~100 |
|
粘度范围 mm2/s |
10~380 |
| 油液清洁度 | 油液及系统的清洁度不低于GB/T 14039-93 19/16级或NAS 1638 10级 |
|
重量 Kg |
15 |

CLSD354.58B.01悬挂控制阀原理图

Copyright © 2019 浙江高宇液压机电有限公司 版权所有 All Right Reserved 浙ICP备14002341号-1
设计制作:新飞速网络