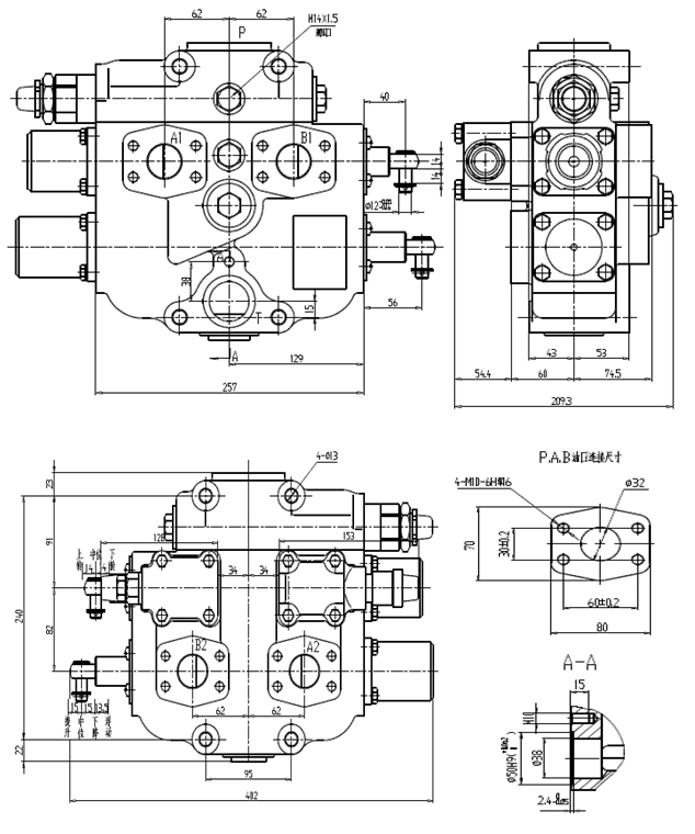
2联、3联整体式多路阀,可供用户选择
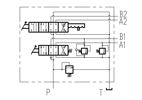
内置插装式主安全阀、过载阀、补油阀等,通用性好,便于维修
流量的微调控制范围宽,具有递增流量特性
回路型式:串并联、并联
采用机械控制方式,操纵力轻
阀芯机能:三位和四位
定位方式:弹簧和钢球
装载机
推土机
农用机械
物料搬运机械
| GDF32系列 | GDF25系列 | |
额定压力 MPa | 20 | 20 |
公称流量 L/min | 250(最大流量350L/min) | 160(最大流量250L/min) |
主溢流阀调压范围 MPa | 8~20 | |
主溢流阀调压范围 MPa | 10~25 | |
| 液压油 | 符合DIN 51 524 标准的矿物质油(HL、HLP) | |
油液温度范围 ℃ | -20~100 | |
粘度范围 mm2/s | 10~380 | |
| 油液清洁度 | 油液及系统的清洁度不低于GB/T 14039-93 19/16级或NAS 1638 10级 | |
重量 Kg | 38(两联) | 36(两联) |
GDF系列整体式多路换向阀

GDFⅢ系列整体式多路换向阀

GDF32B整体式多路换向阀

GDF32C整体式多路换向阀

GDF25整体式多路换向阀

GDF25Ⅲ整体式多路换向阀

GDF32BⅢ整体式多路换向阀

Copyright © 2019 浙江高宇液压机电有限公司 版权所有 All Right Reserved 浙ICP备14002341号-1
设计制作:新飞速网络