紧凑分片式结构,1~8阀片可任意组合
并联、串并联或双回路系统可组合在一个多路阀内
阀芯使用精控沟槽,递进式流量控制特性,使其具有较宽流量
采用机械和液控两种控制方式
结构紧凑,便于管路布置;
内置主安全阀、过载阀、补油阀及单向阀等采用插装式结构,通用性好,便于维修
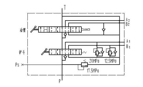
小型装载机、挖掘机
叉车
农用拖拉机辅助功能
钻机
起重机械
物料搬运
|
额定压力 MPa | 25 |
|
额定流量 L/min |
160(最大流量200L/min) |
|
主溢流阀调压范围 MPa |
10~25 |
|
次级溢流阀调压范围 MPa |
15~31.5 |
|
阀芯操作力 N |
170 |
| 液压油 | 符合DIN 51 524 标准的矿物质油(HL、HLP) |
|
油液温度范围 ℃ |
-20~100 |
|
粘度范围 mm2/s |
10~380 |
| 油液清洁度 | 油液及系统的清洁度不低于GB/T 14039-93 19/16级或NAS 1638 10级 |
|
重量 Kg |
22 |
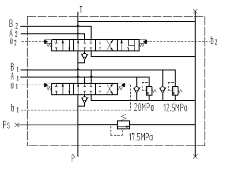
DL20Y-02片式多路换向阀

DL20Y-03片式多路换向阀

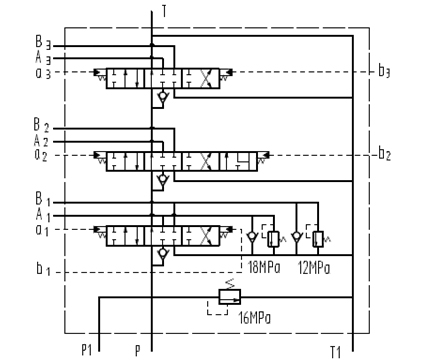
DL20-02片式多路换向阀

DL20-03片式多路换向阀

DL20Y-02片式多路换向阀


DL20Y-03片式多路换向阀


DL20-02片式多路换向阀


DL20-03片式多路换向阀


Copyright © 2019 浙江高宇液压机电有限公司 版权所有 All Right Reserved 浙ICP备14002341号-1
设计制作:新飞速网络